Запчасти к жидкотопливной горелке Weishaupt WL10/2-D Z:
Навигация по странице:
Заказать запчасти к горелке Weishaupt WL10/2-D Z с доставкой до города Колумбус, а также получить консультацию, Вы можете:
— отправив запрос на электронную почту: info@smartico.pro;
— позвонив на единый номер: +7 915 2 061 061.
Добро пожаловать на страницу, посвященную запасным частям для дизельной горелки Weishaupt WL10/2-D Z. Мы предлагаем широкий ассортимент запчастей, необходимых для обслуживания и ремонта вашей горелки Weishaupt в России.
В нашем каталоге вы найдете артикулы для всех главных компонентов горелки, включая блок управления, горелочную головку, насос топлива и электроды. Все запчасти изготовлены из высококачественных материалов, являются оригинальными и соответствуют стандартам качества Weishaupt.
Важно знать!
ООО "СмартиКо" - независимый поставщик продукции Weishaupt на территорию России.
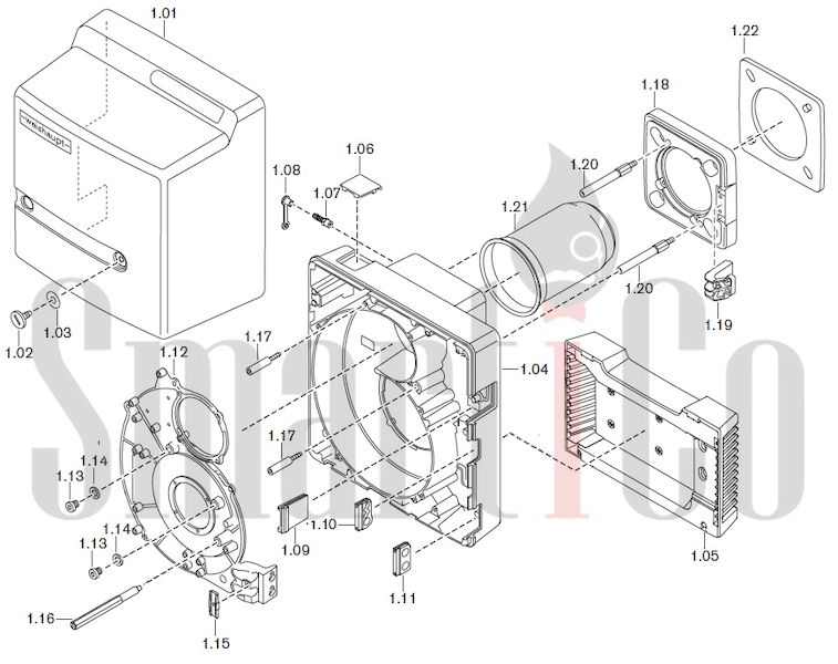
Запасные части к дизельной горелке Weishaupt
WL10/2-D Z
Корпусные детали Weishaupt WL10/2-D Z:
Уважаемые коллеги, если Вы нашли ошибку на нашем сайте — просим сообщить об этом на почту info@smartico.pro

Поз. | Обозначение | Номер заказа |
1.01 | Защитная крышка горелки в комплекте | 241 110 01 11 2 |
1.02 | Винт M8 x 15 | 142 013 01 15 7 |
1.03 | Шайба 7 x 18 | 430 016 |
1.04 | Корпус горелки | 241 110 01 30 7 |
1.05 | Корпус воздухозаборника в комплекте | 241 110 01 08 2 |
– винт 4 x 30 Torx-Plus | 409 325 | |
1.06 | Смотровое стекло для счетчика времени | 241 210 01 19 7 |
1.07 | Ввинчиваемый штуцер R1/8″ GES6 | 453 017 |
1.08 | Защитный колпачок DN 6 SELF 50/2 CF | 232 300 01 04 7 |
1.09 | Герметичная крышка корпуса | 241 110 01 17 7 |
1.10 | Вставка для кабелей | 241 200 01 24 7 |
1.11 | Ввод топливопровода | 241 400 01 17 7 |
1.12 | Крышка корпуса горелки | 241 110 01 31 7 |
1.13 | Винт G1/8A DIN 908 | 409 004 |
1.14 | Уплотнительное кольцо 10 x 13,5 x 1,5 | 441 033 |
1.15 | Крепление топливного шланга и кабеля | 241 400 01 36 7 |
1.16 | Шпилька крышки корпуса горелки | 241 210 01 20 7 |
1.17 | Крепёжная шпилька корпуса M6 | 241 110 01 29 7 |
1.18 | Фланец горелки | 241 110 01 05 7 |
– винт M8 x 30 DIN 912 | 402 517 | |
– шайба 8,4 DIN 433 | 430 504 | |
1.19 | Кронштейн для сервисного положения | 241 110 01 06 7 |
1.20 | Шпилька для фланца горелки | 241 050 01 18 7 |
1.21 | Пламенная труба | |
– стандартная | 241 110 14 02 2 | |
– с удлинением на 100 мм* | 240 110 14 01 2 | |
– с удлинением на 200 мм* | 240 110 14 02 2 | |
– с удлинением на 300 мм* | 240 110 14 03 2 | |
1.22 | Фланцевое уплотнение | 241 110 01 10 7 |
* только с удлинением пламенной головы. |
Электродвигатель, вентилятор и регулировка воздуха Weishaupt WL10/2-D Z:
Уважаемые коллеги, если Вы нашли ошибку на нашем сайте — просим сообщить об этом на почту info@smartico.pro

Поз. | Обозначение | Номер заказа |
2.01 | Двигатель ECK03/H-2 230 В 50 Гц | 652 110 |
2.02 | Винт M4 x 10 Torx-Plus | 409 323 |
2.03 | Конденсатор 5,0 мкф 420 В, AC, DB | 713 474 |
2.04 | Воздушная направляющая | 241 110 01 26 7 |
2.05 | Вентиляторное колесо TLR 157 x 47 -L S1 50 Гц | 241 110 08 04 2 |
2.06 | Стопорный винт M6 x 8 с фаской (Tuflok) | 420 549 |
2.07 | Воздушная заслонка в комплекте | 241 110 02 10 2 |
2.08 | Подшипник вала воздушной заслонки | 241 110 02 10 7 |
2.09 | Вал воздушной заслонки — угловой передачи | 241 210 02 05 7 |
2.10 | Угловая передача с пружиной 2 | 241 110 02 06 2 |
2.11 | Винт 4 x 12 Torx-Plus Remform | 409 320 |
2.12 | Вал угловой передачи / сервопривода | 241 400 02 15 7 |
2.13 | Рамка для сервопривода | 241 210 02 03 7 |
2.14 | Винт 4 x 30 Torx-Plus Delta PT | 409 325 |
2.15 | Сервопривод STD 4,5 24 В B0.36/6 4NL | 651 102 |
2.16 | Винт 4 x 35 Kombi-Torx-Plus Remform | 409 355 |
2.17 | Регулятор воздуха W10D-Z, пружина 2 | 241 110 02 09 2 |
2.18 | Для монтажа горелки с разворотом на 180°: | |
– вал | 240 110 02 01 7 | |
– крепление сервопривода | 230 110 02 01 2 | |
– винт 4 x 12 Torx-Plus 20IP Remform | 409 320 | |
– винт M4 x 30 Torx-Plus метрический | 409 245 |
Топливоподача дизельных горелок Weishaupt WL10/2-D Z:
Уважаемые коллеги, если Вы нашли ошибку на нашем сайте — просим сообщить об этом на почту info@smartico.pro

Поз. | Обозначение | Номер заказа |
3.01 | Насос AT2V 45C | 601 865 |
– фильтрующий элемент с уплотнением | 601 107 | |
3.02 | Магнитная катушка T80 Suntec 220-240 В | 604 495 |
3.03 | Муфта насоса | 652 135 |
3.04 | Топливопровод от насоса до форсуночного штока | 241 110 06 01 8 |
3.05 | Резьбовое соединение XG 04-LL | 452 020 |
3.06 | Напорный шланг DN 4, 286 мм, герметичный (для монтажа горелки с разворотом на 180°) | 491 246 |
3.07 | Заглушка BUZ 06-LL с гайкой | 241 100 06 01 2 |
3.08 | Топливный шланг DN 4, 1200 мм | |
– стандартный | 491 126 | |
– герметичный | 491 131 |
Пламенная голова и смесительное устройство Weishaupt WL10/2-D Z:
Уважаемые коллеги, если Вы нашли ошибку на нашем сайте — просим сообщить об этом на почту info@smartico.pro

Поз. | Обозначение | Номер заказа |
4.01 | Форсуночный шток в комплекте | |
– стандартный | 241 110 10 02 0 | |
– с удлинением на 100 мм* | 240 110 10 01 0 | |
– с удлинением на 200 мм* | 240 110 10 02 0 | |
– с удлинением на 300 мм* | 240 110 10 03 0 | |
4.02 | Подпорная шайба | 241 110 14 04 2 |
4.03 | Направляющая труба с ограничителем | |
– стандартная | 241 110 10 01 2 | |
– с удлинением на 100 мм* | 240 110 10 02 2 | |
– с удлинением на 200 мм* | 240 110 10 04 2 | |
– с удлинением на 300 мм* | 240 110 10 06 2 | |
4.04 | Форсуночный блок в комплекте | |
– стандартный | 241 110 10 05 2 | |
– с удлинением на 100 мм* | 240 110 10 01 2 | |
– с удлинением на 200 мм* | 240 110 10 03 2 | |
– с удлинением на 300 мм* | 240 110 10 05 2 | |
4.05 | Крышка форсуночного штока | 241 110 01 13 2 |
4.06 | Пластиковая заглушка | 756 159 |
4.07 | Смотровое стекло | 241 400 01 37 7 |
4.08 | Регулировочный винт M6 x 88 | 241 400 10 09 7 |
4.09 | Зажим 1096 для QRB1 | 600 566 |
4.10 | Датчик пламени QRB1B | 241 310 12 02 2 |
4.11 | Заглушка 5,25 | 241 110 10 08 7 |
4.12 | Индикационный винт M6 x 90 | 241 110 10 09 7 |
4.13 | Нижняя часть позиционного крепления | 241 110 10 06 7 |
4.14 | Верхняя часть позиционного крепления | 241 110 10 07 7 |
4.15 | Винт M4 x 12 Torx-Plus 20IP | 409 237 |
4.16 | Пружинная шайба A6 DIN 137 | 431 615 |
4.17 | Шестигранная гайка M6 DIN 934 -8 | 411 301 |
4.18 | Шестигранная гайка M 6 DIN 985 -6 | 411 302 |
4.19 | Электрод зажигания | 241 050 10 13 7 |
4.20 | Зажим | 142 013 10 24 7 |
4.21 | Винт M4 x 14 Torx-Plus 20IP | 409 268 |
4.22 | Кабель зажигания | |
– 380 мм (стандартный) | 241 110 11 03 2 | |
– 480 мм (для удлинения на 100 мм)* | 240 110 11 04 2 | |
– 540 мм (для удлинения на 200 мм)* | 240 110 11 05 2 | |
– 640 мм (для удлинения на 300 мм)* | 240 110 11 06 2 | |
4.23 | Настроечный шаблон | 241 050 00 02 7 |
4.24 | Лента-крепление 4,7 x 200 | 794 089 |
4.25 | Топливная форсунка | |
– 0,75 gph 60°S Steinen | 612 203 | |
– 0,85 gph 60°S Steinen | 612 206 | |
– 1,00 gph 60°S Steinen | 612 207 | |
– 1,10 gph 60°S Steinen | 612 208 | |
– 0,75 gph 60°H Steinen | 612 513 | |
– 0,85 gph 60°H Steinen | 612 514 | |
– 1,00 gph 60°H Steinen | 612 517 | |
– 1,10 gph 60°H Steinen | 612 518 | |
– 0,75 gph 45°SF Fluidics | 602 060 | |
– 0,85 gph 45°SF Fluidics | 602 061 | |
– 1,00 gph 45°SF Fluidics | 602 062 | |
– 1,10 gph 45°SF Fluidics | 602 063 | |
– 0,75 gph 45°HF Fluidics | 602 683 | |
– 0,85 gph 45°HF Fluidics | 602 684 | |
– 1,00 gph 45°HF Fluidics | 602 710 | |
– 1,10 gph 45°HF Fluidics | 602 711 | |
* только с удлинением пламенной головы. |
Системы управления и электроподключения Weishaupt WL10/2-D Z:
Уважаемые коллеги, если Вы нашли ошибку на нашем сайте — просим сообщить об этом на почту info@smartico.pro

Поз. | Обозначение | Номер заказа |
5.01 | Менеджер горения W-FM 10, 230 В серия C | 600 475 |
– предохранитель T6,3H, IEC 127-2/5 | 483 011 22 45 7 | |
5.02 | Кольцо-адаптер 22 x 4 для удлинения | 600 358 |
5.03 | Удлинение кнопки разблокировки AGK20.19 | 600 357 |
5.04 | Заглушка AGK63 | 600 312 |
5.05 | Перемычка-штекер № 12, 3-полюсная | 241 050 12 03 2 |
5.06 | Штекерная часть ST18/7 | 716 549 |
5.07 | Штекерная часть ST18/4 | 716 546 |
5.08 | Штекер с переключателем ST18/4, исп. Z | 130 103 15 01 2 |
5.09 | Прибор зажигания W-ZG01V 230 В 100ВА | 603 221 |
5.10 | Винт M4 x 42 Kombi-Torx-Plus 20IP | 409 260 |
5.11 | Кабель со штекером № 3, двигатель | 241 050 12 06 2 |
5.12 | Кабель со штекером № 5, клапан 1-й ступ. | 241 210 12 01 2 |
5.13 | Кабель со штекером № 1, клапан 2-й ступ. | 241 210 12 02 2 |
Что важно помнить при выборе запчастей Weishaupt WL10/2-D Z:
ВАЖНО! Выполнение подбора запасных частей Weishaupt силами Заказчика не гарантирует правильности подбора. Точный подбор запасных частей Weishaupt гарантируется исключительно при обращении с сертифицированному партнеру. Гарантией правильного подбора запасных частей Weishaupt будет являться предоставление фотографии шильдика горелки.
Также обращаем Ваше внимание, что артикулы запасных частей в счет протоколах и товарно-сопроводительных документах могут быть изменены в связи с производственной необходимостью.
Заявки на запчасти Weishaupt WL10/2-D Z принимаются исключительно при условии условии предоставления реквизитов предприятия.
Мы понимаем, что время простоя горелки Weishaupt WL10/2-D Z может означать потерю прибыли, поэтому мы стремимся обеспечить быструю доставку запчастей в любую точку России включая доставку до г.Колумбус, включенную в стоимость товара, с нашего центрального склада. Также, наши цены очень конкурентоспособны и вы найдете у нас лучшее соотношение цены и качества при приобретении запасных частей под заказ. Если у вас возникли вопросы, наши опытные специалисты всегда готовы помочь вам выбрать нужные запчасти и дать профессиональные советы по их установке и эксплуатации.
Заказывайте запчасти к жидкотопливной горелке Weishaupt WL10/2-D Z в ООО «СмартиКо» и обеспечьте бесперебойную работу вашей горелки в любое время.